GO
2d

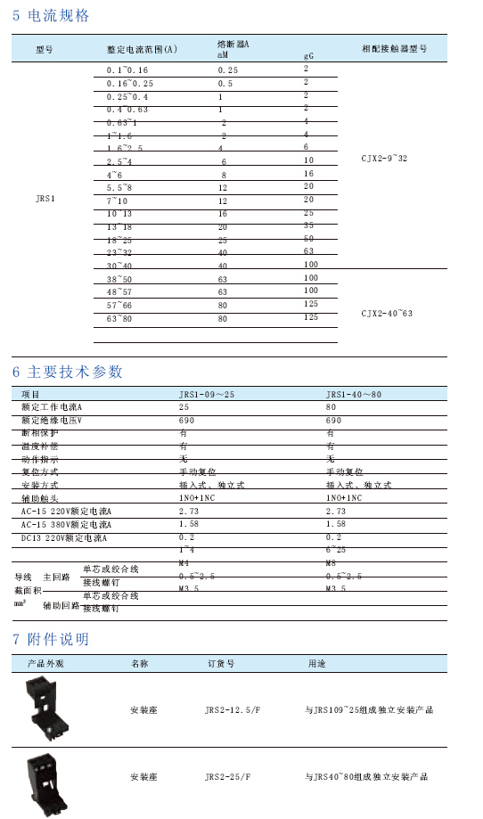
JRS1系列热继电器

所属分类:热继电器、中间继电器

PDF File:

在线客服

B体育在线客服1

1428967121

B体育在线客服2

2281824741