GO
5d5dd

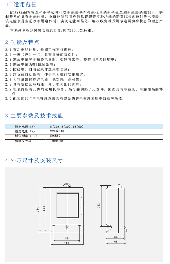
DDSY8666系列单相电子式预付费电能表

所属分类:电能表、仪器仪表

PDF File:

在线客服

B体育在线客服1

1428967121

B体育在线客服2

2281824741