GO
3d

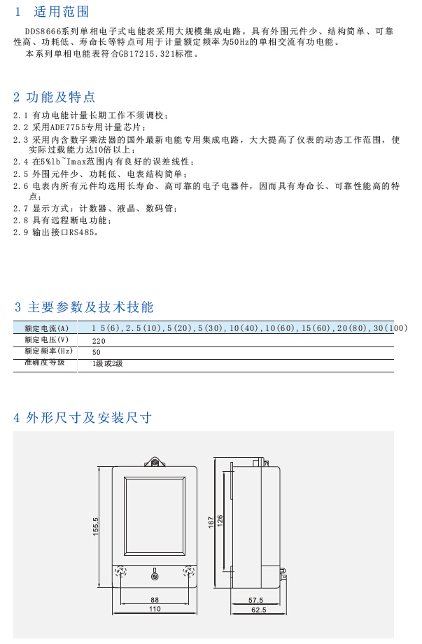
DDS8666系列单相电子式有功电能表

所属分类:电能表、仪器仪表

PDF File:

在线客服

B体育在线客服1

1428967121

B体育在线客服2

2281824741